এলভি সিরিজ রোলার বিয়ারিংস ট্র্যাক করুন
এলভি সিরিজ রোলার বিয়ারিংস ট্র্যাক করুন
এলভি সিরিজ রোলার বিয়ারিংস ট্র্যাক করুন

এলভি সিরিজ

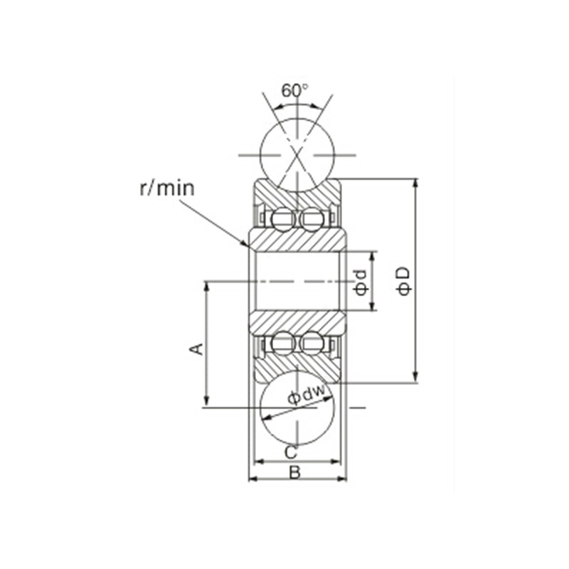
এলভি সিরিজ গাইড রোলার বিয়ারিংস হ'ল এক ধরণের ভারবহন যা লিনিয়ার গাইড সিস্টেমে বিশেষভাবে ব্যবহৃত হয় এবং সাধারণত শিল্প অটোমেশন সরঞ্জাম এবং যথার্থ যন্ত্রপাতিগুলিতে ব্যবহৃত হয়। তাদের একটি ভি-আকৃতির বাইরের কনট্যুর রয়েছে যা সঠিকভাবে ভি-আকৃতির গাইড রেলের সাথে মেলে, এইভাবে একটি স্থিতিশীল রোলিং প্রভাব সরবরাহ করে। এই নকশাটি কেবল গাইড রেল এবং রোলারের মধ্যে যোগাযোগের ক্ষেত্রকেই বাড়িয়ে তোলে না, তবে লোডের ক্ষমতা এবং ভারবহন প্রতিরোধের পরিধানও বাড়ায়, এটি উচ্চ গতি এবং ভারী লোড অবস্থার জন্য উপযুক্ত করে তোলে। এলভি সিরিজের বিয়ারিংগুলি টেক্সটাইল যন্ত্রপাতি, রোবোটিক সরঞ্জাম, প্যাকেজিং যন্ত্রপাতি এবং অন্যান্য ক্ষেত্রগুলিতে ব্যাপকভাবে ব্যবহৃত হয়, বিশেষত এমন পরিস্থিতিতে যেখানে উচ্চ-নির্ভুলতা অবস্থান এবং কম ঘর্ষণ প্রয়োজন।

অনুসন্ধান পাঠান

পণ্যের পরামিতি

চাকা টাইপ ওজন মাত্রা (মিমি) লোড (কেএন)
(কেজি) ডিডাব্লু ডি ডি α Rs সিডাব্লু গরু
এলভি 20/7 জেডজেড 17 10 7 22 11 11 14.5 120 0.3 3.78 2.05
এলভি 20/8 জেডজেড 49 10 8 30 14 14 18.1 120 0.3 5.13 2.67
এলভি 202-38 জেডজেড 87 10 15 38 17 17 22.3 120 0.5 8.47 5.37
এলভি 202-40 জেডজেড 110 10 15 40 18 18 22 120 0.5 8.47 5.37
এলভি 201 জেডজেড 130 20 12 41 20 20 28 120 0.3 8.47 5.37
LV 201-14.2rs 107 14 12 39.9 20.1 18 24 100 0.5 8.9 5
এলভি 202-41 জেডজেড 116 20 15 41 20 20 28 120 0.5 8.47 5.37
এলভি 203 জেডজেড 325 20 17 58 25 25 35 120 0.5 14.66 9.1
এলভি 204-57 জেডজেড 290 30 20 57 22 22 41 120 0.6 14.66 9.1

সম্পর্কে Yinin

সাংহাই ইয়িনিন বিয়ারিং এবং ট্রান্সমিশন সংস্থা ২০০৯ সালে প্রতিষ্ঠিত এবং বিয়ারিং ক্ষেত্রে ২০ বছরেরও বেশি অভিজ্ঞতা রয়েছে। আমরা চীন এলভি সিরিজ রোলার বিয়ারিংস ট্র্যাক করুন উৎপাদক এবং অফার কাস্টম এলভি সিরিজ রোলার বিয়ারিংস ট্র্যাক করুন কারখানা. ১৯৯৯ সাল থেকে, চীনে বিয়ারিং প্রস্তুতকারকদের প্রতিনিধিত্ব করা থেকে শুরু করে, আমরা বিভিন্ন ধরণের বিয়ারিং রপ্তানি করেছি। আজকাল আমরা একটি সম্পূর্ণ বিক্রয় এবং উৎপাদন বিয়ারিং গ্রুপ তৈরি করছি।

শিল্প অ্যাপ্লিকেশন

বিয়ারিংসও কৃষি যন্ত্রপাতিগুলিতে খুব গুরুত্বপূর্ণ ভূমিকা পালন করে। এগুলি ঘোরানো অংশগুলি সমর্থন কর...

বিয়ারিংগুলি অটোমোবাইলগুলিতে ব্যাপকভাবে ব্যবহৃত হয়। এগুলি হ'ল গাড়িতে অনেক চলমান অংশের মূল ...

সমর্থন, উচ্চতা, কোণ, যৌথ এবং চিকিত্সা সরঞ্জামগুলির ঘোরানো অংশগুলির জন্য ব্যবহৃত

সাপোর্ট, রোটেশন, মোটর এবং সংক্ষেপক অংশগুলির জন্য গৃহস্থালী সরঞ্জামগুলির জন্য ব্যবহৃত

অটোমেশন সরঞ্জামের সমর্থন এবং গাইডের ঘূর্ণন এবং চলাচলের জন্য ব্যবহৃত

বিল্ডিং স্ট্রাকচারগুলিতে, বিভিন্ন কাঠামোগত উপাদানগুলি সংযোগ করতে বিয়ারিংগুলি ব্যবহার করা যেতে পা...

খাদ্য ও পানীয়ের উত্পাদন প্রক্রিয়াতে, তরল পরিবহনের জন্য পাম্পগুলির প্রয়োজন হয় এবং গ্যাসগুলি সং...

টারবাইন, অনুরাগী এবং শ্যাফটগুলির মতো ঘোরানো উপাদানগুলিকে সমর্থন করার জন্য বিমান এবং মহাকাশযানের ই...

2025-10-30

Application and Selection Recommendations of Deep Groov...
The deep groove ball bearing is the workhorse of the electric motor industry, serving as a critical component in everything from small appliance motors to large industrial drives. Its versatility, rel...

2025-10-24

Deep Groove Ball Bearing Installation Direction and Pre...
Proper installation is the most critical factor determining the performance, accuracy, and service life of a deep groove ball bearing. Unlike tapered roller bearings, a common point of confusion surro...

2025-10-17

How to Judge the Service Life and Wear Degree of Deep G...
Deep groove ball bearings are among the most common and versatile bearing types, found in everything from small electric motors to heavy industrial machinery. Their reliability is critical, but like a...

আমাদের সাথে যোগাযোগ করুন

SUBMIT

কারিগরি অনুসন্ধান

  • সাংহাই ইয়িনিন বিয়ারিং এবং ট্রান্সমিশন সংস্থা

    কাস্টমাইজড সমাধান

  • সাংহাই ইয়িনিন বিয়ারিং এবং ট্রান্সমিশন সংস্থা

    নিরন্তর গবেষণা এবং উন্নয়ন

  • সাংহাই ইয়িনিন বিয়ারিং এবং ট্রান্সমিশন সংস্থা

    মান নিয়ন্ত্রণ

  • সাংহাই ইয়িনিন বিয়ারিং এবং ট্রান্সমিশন সংস্থা

    কারিগরি সহায়তা এবং প্রশিক্ষণ

  • সাংহাই ইয়িনিন বিয়ারিং এবং ট্রান্সমিশন সংস্থা

    দ্রুত প্রতিক্রিয়া

আপনার যদি কোনও প্রযুক্তিগত পরামর্শ বা প্রতিক্রিয়া থাকে, তাহলে আমরা আপনাকে যত তাড়াতাড়ি সম্ভব সবচেয়ে পেশাদার উত্তর দেব!

আমাদের সাথে যোগাযোগ করুন