30300 সিরিজ টেপার্ড রোলার বিয়ারিং
30300 সিরিজ টেপার্ড রোলার বিয়ারিং
30300 সিরিজ টেপার্ড রোলার বিয়ারিং

30300 সিরিজ

30300 সিরিজের টেপার্ড রোলার বিয়ারিং হ'ল শিল্প যন্ত্রপাতি, অটোমোবাইল এবং ভারী সরঞ্জামগুলিতে ব্যাপকভাবে ব্যবহৃত একটি উচ্চ-পারফরম্যান্স রোলিং ভারবহন। এই সিরিজের বিয়ারিংগুলি একটি টেপার্ড রোলার ডিজাইন গ্রহণ করে, যা বড় অক্ষীয় এবং রেডিয়াল লোডগুলি সহ্য করতে পারে এবং এতে উচ্চ ঘূর্ণন নির্ভুলতা রয়েছে এবং প্রতিরোধের পরিধান রয়েছে। এর অভ্যন্তরীণ কাঠামোটি কার্যকরভাবে ঘর্ষণ এবং তাপ হ্রাস করতে অনুকূলিত হয়েছে, এইভাবে তার পরিষেবা জীবনকে প্রসারিত করে। 30300 সিরিজের বিয়ারিংগুলি সাধারণত উচ্চ-মানের অ্যালো স্টিল দিয়ে তৈরি হয়, তাদের শক্তি এবং স্থায়িত্ব উন্নত করতে সূক্ষ্ম পৃষ্ঠের মেশিনিং এবং তাপ চিকিত্সা সহ। এই সিরিজের বিয়ারিংয়ের ভাল সিলিং পারফরম্যান্সও রয়েছে, যা কার্যকরভাবে বাহ্যিক দূষণকারীদের অনুপ্রবেশ রোধ করতে পারে এবং বিভিন্ন কঠোর পরিশ্রমী পরিবেশের সাথে খাপ খাইয়ে নিতে পারে

অনুসন্ধান পাঠান

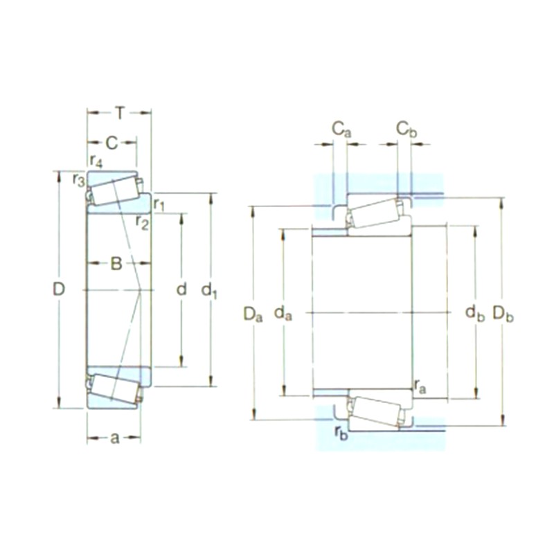
পণ্যের পরামিতি

উপাধি প্রধান মাত্রা (মিমি) বেসিক লোড রেটিং (কেএন) পু গতি রেটিং (আরপিএম) ওজন (কেজি) আইএসও 335 মাত্রা (মিমি) অ্যাবুটমেন্ট এবং ফিললেট মাত্রা (মিমি) মান
ডি 1 ডি ডিওয়াইসি (সিআর) এসটিসি (কর) গতি রেটিং সীমাবদ্ধ গতি মাত্রা (আবমা) ডি ডি 1 ~ r1,2 (মিনিট) r3,4 (মিনিট) ডিএ (সর্বোচ্চ) ডিবি (মিনিট) দা (মিনিট) ডিএ (সর্বোচ্চ) ডিবি (মিনিট) সিএ (মিনিট) সিবি (মিনিট) আরএ (সর্বোচ্চ) আরবি (সর্বোচ্চ) Y ইও
30303J2 17 47 15,25 28,1 25 2,75 12000 16000 0,13 2 এফবি 17 30,4 14 12 1 1 10 25 23 40 41 42 2 3 1 1 0,28 2,1 1,1
32303J2/q 17 47 20,25 40 33,5 3,65 12000 16000 0,17 2 এফডি 17 30,7 19 16 1 1 12 24 23 39 41 43 3 4 1 1 0,28 2,1 1,1
30304J2/q 20 52 16,25 39 32,5 3,6 12000 14000 0,17 2 এফবি 20 34,3 15 13 1,5 1,5 11 28 27 44 45 47 2 3 1,5 1,5 0,3 2 1,1
30305J2 25 62 18,25 44,6 43 4,75 9000 12000 0,26 2 এফবি 25 41,5 17 15 1,5 1,5 13 34 32 54 55 57 2 3 1,5 1,5 0,3 2 1,1
30306j2/q 30 72 20,75 64 56 6,4 8000 10000 0,39 2 এফবি 30 48,4 19 16 1,5 1,5 15 41 37 62 65 66 3 4,5 1,5 1,5 0,31 1,9 1,1
30307j2/q 35 80 22,75 83 73,5 8,3 7500 9000 0,52 2 এফবি 35 54,5 21 18 2 1,5 16 46 44 70 71 74 3 4,5 2 1,5 0,31 1,9 1,1
30308J2/q 40 90 25,25 100 95 10,8 6300 8000 0,72 2 এফবি 40 62,5 23 20 2 1,5 19 53 49 77 81 82 3 5 2 1,5 0,35 1,7 0,9
30309j2/q 45 100 27,25 125 120 14,3 5600 7000 0,97 2 এফবি 45 70,1 25 22 2 1,5 21 59 53 86 91 92 3 5 2 1,5 0,35 1,7 0,9
30310j2/q 50 110 29,25 143 140 16,6 5300 6300 1,25 2 এফবি 50 77,2 27 23 2,5 2 23 65 60 95 100 102 4 6 2 2 0,35 1,7 0,9
30311J2/q 55 120 31,5 166 163 19,3 4800 5600 1,55 2 এফবি 55 84 29 25 2,5 2 24 71 65 104 112 111 4 6,5 2 2 0,35 1,7 0,9
30312j2/q 60 130 33,5 168 196 23,6 4000 5300 1,95 2 এফবি 60 91,9 31 26 3 2,5 26 77 72 112 118 120 5 7,5 2,5 2 0,35 1,7 0,9
30313j2/q 65 140 36 194 228 27,5 3600 4800 2,40 2 জিবি 65 98,6 33 28 3 2,5 28 84 77 122 128 130 5 8 2,5 2 0,35 1,7 0,9
30314j2/q 70 150 38 220 260 31 3400 4500 2,90 2 জিবি 70 105 35 30 3 2,5 29 90 82 130 138 140 5 8 2,5 2 0,35 1,7 0,9
30315j2/q 75 160 40 246 290 34 3200 4300 3,45 2 জিবি 75 112 37 31 3 2,5 31 96 87 139 148 149 5 9 2,5 2 0,35 1,7 0,9
30316j2 80 170 42,5 270 320 38 3000 4300 4,10 2 জিবি 80 120 39 33 3 2,5 33 102 92 148 158 159 5 9,5 2,5 2 0,35 1,7 0,9
30317j2 85 180 44,5 303 365 40,5 2800 4000 4,85 2 জিবি 85 126 41 34 4 3 35 107 99 156 166 167 6 10,5 3 2,5 0,35 1,7 0,9
30318j2 90 190 46,5 330 400 44 2600 4000 5,65 2 জিবি 90 132 43 36 4 3 36 113 105 165 176 176 6 10,5 3 2,5 0,35 1,7 0,9
30319 95 200 49,5 330 390 42,5 2600 3400 6,70 2 জিবি 95 139 45 38 4 3 39 118 110 172 186 184 6 11,5 3 2,5 0,35 1,7 0,9
30320J2 100 215 51,5 402 490 53 2400 3200 8,05 2 জিবি 100 148 47 39 4 3 40 127 115 184 201 197 6 12,5 3 2,5 0,35 1,7 0,9
30322J2 110 240 54,5 473 585 62 2200 2800 11,0 2 জিবি 110 165 50 42 4 3 43 142 125 206 226 220 8 12,5 3 2,5 0,35 1,7 0,9
30324J2 120 260 59,5 561 710 73,5 2000 2600 14,0 2 জিবি 120 178 55 46 4 3 47 153 135 221 245 237 7 13,5 3 2,5 0,35 1,7 0,9
30326j2 130 280 63,75 627 800 83 1800 2400 17,0 2 জিবি 130 196 58 49 5 4 51 164 150 239 263 255 8 14,5 4 3 0,35 1,7 0,9
33030 150 225 59 457 865 86,5 2000 2600 8,15 2ee 150 188 59 46 3 2,5 48 164 162 200 213 217 8 13 2,5 2 0,37 1,6 0,9
30332j2 160 340 75 913 1180 114 1500 2000 29,0 2 জিবি 160 233 68 58 5 4 61 201 180 290 323 310 9 17 4 3 0,35 1,7 0,9
30352j2 260 540 113 2120 3050 250 850 1200 110 - 260 376 102 85 6 6 97 325 286 461 514 493 15 28 5 5 0,35 1,7 0,9

সম্পর্কে Yinin

সাংহাই ইয়িনিন বিয়ারিং এবং ট্রান্সমিশন সংস্থা ২০০৯ সালে প্রতিষ্ঠিত এবং বিয়ারিং ক্ষেত্রে ২০ বছরেরও বেশি অভিজ্ঞতা রয়েছে। আমরা চীন 30300 সিরিজ টেপার্ড রোলার বিয়ারিং উৎপাদক এবং অফার কাস্টম 30300 সিরিজ টেপার্ড রোলার বিয়ারিং কারখানা. ১৯৯৯ সাল থেকে, চীনে বিয়ারিং প্রস্তুতকারকদের প্রতিনিধিত্ব করা থেকে শুরু করে, আমরা বিভিন্ন ধরণের বিয়ারিং রপ্তানি করেছি। আজকাল আমরা একটি সম্পূর্ণ বিক্রয় এবং উৎপাদন বিয়ারিং গ্রুপ তৈরি করছি।

শিল্প অ্যাপ্লিকেশন

বিয়ারিংসও কৃষি যন্ত্রপাতিগুলিতে খুব গুরুত্বপূর্ণ ভূমিকা পালন করে। এগুলি ঘোরানো অংশগুলি সমর্থন কর...

বিয়ারিংগুলি অটোমোবাইলগুলিতে ব্যাপকভাবে ব্যবহৃত হয়। এগুলি হ'ল গাড়িতে অনেক চলমান অংশের মূল ...

সমর্থন, উচ্চতা, কোণ, যৌথ এবং চিকিত্সা সরঞ্জামগুলির ঘোরানো অংশগুলির জন্য ব্যবহৃত

সাপোর্ট, রোটেশন, মোটর এবং সংক্ষেপক অংশগুলির জন্য গৃহস্থালী সরঞ্জামগুলির জন্য ব্যবহৃত

অটোমেশন সরঞ্জামের সমর্থন এবং গাইডের ঘূর্ণন এবং চলাচলের জন্য ব্যবহৃত

বিল্ডিং স্ট্রাকচারগুলিতে, বিভিন্ন কাঠামোগত উপাদানগুলি সংযোগ করতে বিয়ারিংগুলি ব্যবহার করা যেতে পা...

খাদ্য ও পানীয়ের উত্পাদন প্রক্রিয়াতে, তরল পরিবহনের জন্য পাম্পগুলির প্রয়োজন হয় এবং গ্যাসগুলি সং...

টারবাইন, অনুরাগী এবং শ্যাফটগুলির মতো ঘোরানো উপাদানগুলিকে সমর্থন করার জন্য বিমান এবং মহাকাশযানের ই...

2025-10-30

Application and Selection Recommendations of Deep Groov...
The deep groove ball bearing is the workhorse of the electric motor industry, serving as a critical component in everything from small appliance motors to large industrial drives. Its versatility, rel...

2025-10-24

Deep Groove Ball Bearing Installation Direction and Pre...
Proper installation is the most critical factor determining the performance, accuracy, and service life of a deep groove ball bearing. Unlike tapered roller bearings, a common point of confusion surro...

2025-10-17

How to Judge the Service Life and Wear Degree of Deep G...
Deep groove ball bearings are among the most common and versatile bearing types, found in everything from small electric motors to heavy industrial machinery. Their reliability is critical, but like a...

আমাদের সাথে যোগাযোগ করুন

SUBMIT

কারিগরি অনুসন্ধান

  • সাংহাই ইয়িনিন বিয়ারিং এবং ট্রান্সমিশন সংস্থা

    কাস্টমাইজড সমাধান

  • সাংহাই ইয়িনিন বিয়ারিং এবং ট্রান্সমিশন সংস্থা

    নিরন্তর গবেষণা এবং উন্নয়ন

  • সাংহাই ইয়িনিন বিয়ারিং এবং ট্রান্সমিশন সংস্থা

    মান নিয়ন্ত্রণ

  • সাংহাই ইয়িনিন বিয়ারিং এবং ট্রান্সমিশন সংস্থা

    কারিগরি সহায়তা এবং প্রশিক্ষণ

  • সাংহাই ইয়িনিন বিয়ারিং এবং ট্রান্সমিশন সংস্থা

    দ্রুত প্রতিক্রিয়া

আপনার যদি কোনও প্রযুক্তিগত পরামর্শ বা প্রতিক্রিয়া থাকে, তাহলে আমরা আপনাকে যত তাড়াতাড়ি সম্ভব সবচেয়ে পেশাদার উত্তর দেব!

আমাদের সাথে যোগাযোগ করুন